
素性
久々にソニーのスピーカーを入手した。「SS-M95HD」以来。
といっても今回のSS-X300は、1981年に発売した古い製品。40年前のものだ。ヴィンテージの域になるだろう。
たまたまオークションサイトで競り落としたものだけど、想像していたよりも状態が良い。外観上の異常はほぼ無く、とりあえず音もちゃんと出る。
わざわざオークションで札を入れたのは、見た目に惹かれたからだ。直線をふんだんに取り入れたデザインは、エンクロージャーはおろかドライバーユニットまで四角いのっぺらぼうとなっている。

1980年前後のオーディオ事情はさっぱりなのでインターネットや当時の雑誌を覗いてみると、当時は「平面スピーカー」なる振動板が真っ平のユニットを積んだスピーカーが流行したらしいことがわかる。
主流だった紙製の振動板から脱却したい各メーカーは、別素材を模索していくうちに、モノとしてはかなり昔から存在していたという平面振動板に着目。挙って採用したようだ。
ソニーは、正方形のハニカム構造を両面からアルミやカーボン製のプレートで挟んだものを振動板としたドライバーユニットを開発。その機構のことを「APM(Accurate Pistonic Motion)」と呼び、そのユニットを搭載したスピーカーは、当時のソニーの高級ブランド「ESPRIT」から通称「APMスピーカー」として展開されたようだ。
APMスピーカーは高級路線だったようだけど、このSS-X300はソニーブランドで発売。どちらかというと廉価グレードの位置づけのようで、のちに発売して一大ヒットとなるコンポ「リバティ」シリーズのスピーカー部として据えられるようにもなった。
存在だけ知っていて、手元に置いてみたことも音を聴いてみたこともなかったので、まずは手の届きやすいものからということで、状態の良さそうな手頃な中古品が流れてくるのを狙っていたのだった。
外観
気になるのは、APMスピーカーであれば型番に「APM」の文字が付されていたり、製品本体にもAPM機構であることを示すような刻印やら印字やらがあってもよさそうなのだけど、このスピーカーにはそういったものが一切見あたらないこと。
もしかしたら、似ているだけでAPMとは別物なのかもしれない。そのあたりは知識が無いのでよくわからない。
あるいは、ESPRITの製品と差別化したくて、より大衆向けのこちらにはあえて主張させなかったのかな、などと勘繰ってしまう。

とはいえ、見た目はツイーターもウーファーも、紛うことなく四角い。全体的にシルバーでまとめられているのも相まって、前衛的というか未来的な風貌をしているスピーカーだ。
エンクロージャーの仕上げはややザラザラするビニール。経年で少し黄ばんでいるものの、往年の雰囲気を色濃く残している。


照準器みたいな形状のなにかが付いたツイーターの振動板も、よく見るとウーファーと同様正六角形が並んでいる。

エッジはクロス製。もちろん四角い。
ウーファーの最外周には白いゴムパッキンのようなものがある。

背面のスピーカーターミナルはスナップイン式。埋込型で、ユニットの内部にデータシートの貼り付けられたやや大型のもの。ネジ孔部も割れておらず、綺麗に残っている。

バスレフポートが前面下部にある。
スリット型のポートには、ウレタンフォームらしきものが埋め込まれている模様。半密閉型だったのだろうか。

ただし、フォームは加水分解して、触れると粉々になる。手元に届いたときにはすでに半壊していて、黒い破片が筐体のいたる所にくっついていた。

これはとりあえず、すべて掻き出しておく。
改修前の音
出音を確認する。
アンプはヤマハのAVレシーバー「RX-S602」。いつものヤツ。
パソコンからの出力を「DIRECT」設定で再生する。
また、先のとおり、バスレフダクトのフォームを取り払っている状態である。
高音寄りのバランス。ツイーターがかなり頑張っているように感じる。
解析的で、特に高音域は細かな音まで聴き取れる。ただ、ソースによっては若干歪むようなクセがあり、好みが分かれそう。
中音域は張りがあり、ハキハキしている。ボーカルや生楽器の伸び方がやや特徴的で、抑揚が綺麗に聴こえる。
低音域はあまり聴こえてこない。バスレフを効かせてズンズン鳴らすタイプではないようだ。おかげで特有の不自然さは無く、適度に締まっていて聴きやすいけど、容積的にはもう少し出てくれてもいい気がする。
全体の質感としては硬く、音源を忠実に再生しようとするモニターライクの冷たさがある。
音場は広めだけど定位感はあまり無く、奥行き方向も感じ取ることが難しい。すべての音が直進して耳に飛びこんでくるような感じ。
リスニングポイントを変えても聴感上の変化が小さい。これは平面振動板の特徴らしい。
周波数特性を見てみる。

測定する限り、フラットなバランスである。聴感的には10kHzあたりが突出しているのかなと思っていたけど、そんなことはなかった。
聴き疲れする要因は、ツイーターの出力が高すぎるからではないらしい。中高音にある独特のクセが、自分の耳、ひいては脳と相性が悪いために、それが「疲れ」という形で現れているのだ。
それはそれとして、聴感上のバランスを鑑みて、もう少しツイーターの出力を落としてみてもいい気がする。個人的には、高音域がブライトで有名なヤマハの「テンモニ」こと「NS-10M」よりも中高音がキツく感じるのだ。
分解
中身を見ていく。
各ユニットの取り外し
前面のユニットは、対辺4mmの六角穴のタッピングネジを外すと、比較的簡単に取り外せる。
マグネットが強力らしく、取り外したネジをツイーターに近づけたらくっついてしまった。

このとき気がついたけど、各ドライバーの前面パネルはヘアライン仕上げの金属板だと思っていたら、実は樹脂製で、塗装でシルバーのヘアラインを再現しているのだった。

背面のスピーカーターミナルユニットは、プラスネジを外すだけ。

エンクロージャー内部
筐体の前面に開いた孔は、独特な形だ。

ウーファー部は、振動板に合わせて四角くくり抜かれている。ツイーターのほうは四角くないけど、結線用の二つの平形端子のタブが干渉しないよう、鈴のような形をしている。


このパーティクルボードの端材は側面では固定されておらず、あくまでもバッフル部の削れて脆弱になった部分を補強する目的で設けられているようだ。
エンクロージャーはパーティクルボード製で、前面と背面の厚みは1.5cm、前面バッフル部を含むそのほかの面は1.2cmとなっている。
吸音材は両側面と底面、背面の下半分に、それぞれニードルフェルトをタッカーで固定している。
ドライバーユニット
ドライバー類は、どちらも径の大きなマグネットが目を引く。




ただ、それ以外は、ほかの一般的なユニットと同じ構造だ。コイルがあり、ダンパーがあり、マグネットがある。
どうやって振動させるんだろう、マグネットも四角かったりするのかな、などと想像を膨らませていたけど、原理としては基本と同等ということのようだ。
ちなみに、ツイーターユニットは前面の化粧パネルを外すとさらに分解できそうだけど、今回は手をつけない。
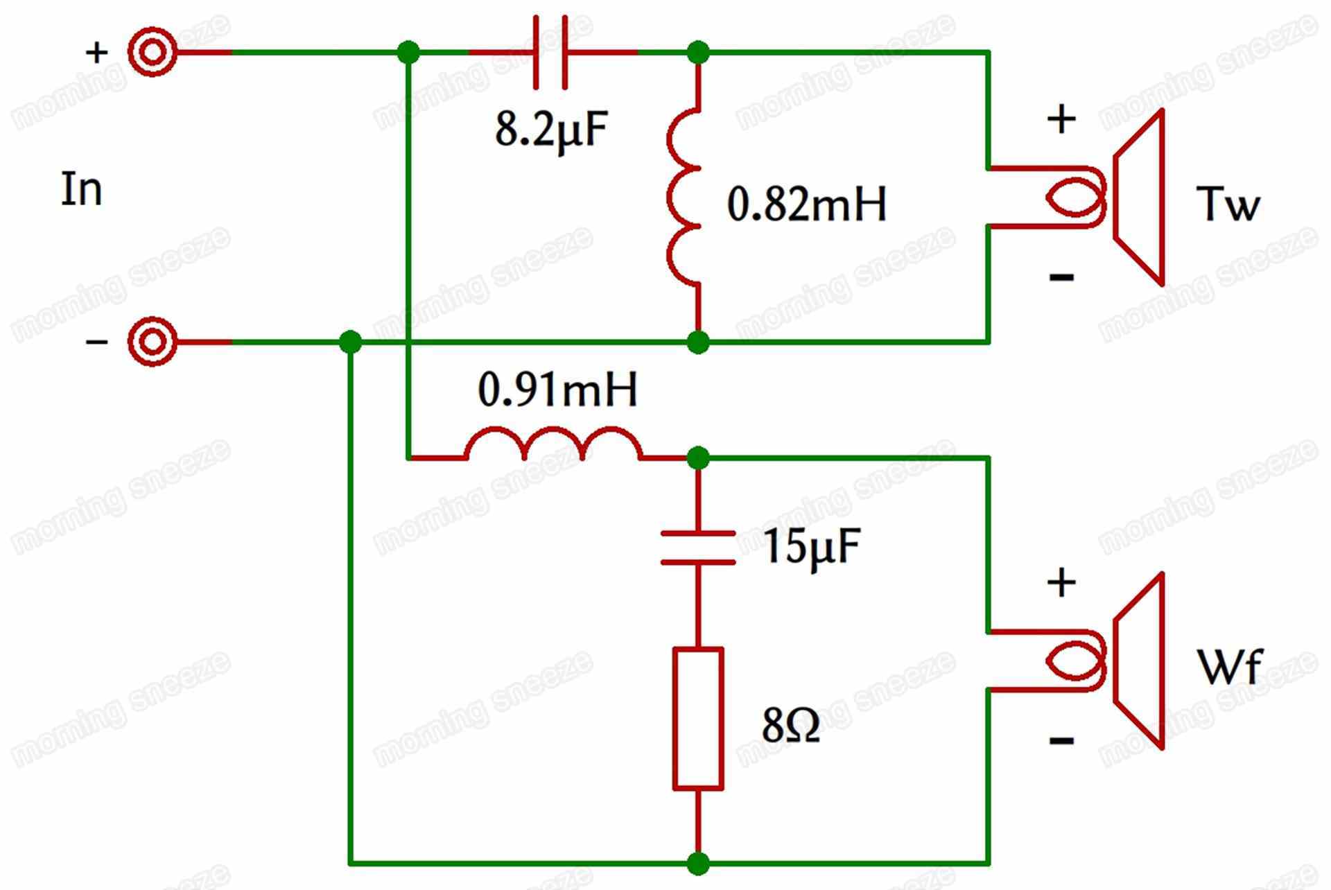
ネットワーク基板
クロスオーバーネットワークは、12dB/octを基に構成されている。



ツイーター回路のコンデンサーとコイルが大きめで、再生周波数の受け持ちが広い。クロスオーバー周波数が低めとなっている。

各ユニットに渡るケーブルは細めの撚り線が使われているけど、基板への接続にはなにやら見慣れない棒形端子のようなものを圧着してから、それをホールに挿してはんだ付けしている。

ケーブルを基板にはんだ付けする際にこういったアダプター的に使える端子があるといいなと、前々から思っていた。現代にも存在するものなのだろうか。
基板はソルダーレジストされた上に細かくシルク印刷されているのが、ていねいで好印象。80年代のソニーは、良いものを作っていたんだな。
整備
今回も劣化した部分の補修や交換を行う。ただ、まずはそのままでは聴きづらい高音をなんとかしておきたい。
ネットワーク回路にアッテネーターを挿入してツイーターを抑えてもいいかもなと思いながら既存のコンデンサーの容量をチェックしていたところ、ウーファー側はギリギリ規定内に収まっていたものの、ツイーター直列の8.2μFは、左右どちらも増加気味であることがわかった。

この状態であれば、能率調整はこれを正してみてからでもいいか、という気になった。バランスを変えずに歪み感を取り除く方向で進める。
コンデンサー
現状問題ないといっても40年前の電解コンデンサーなので、基板上のものはすべて交換する。
本当はツイーター並列のコイルも空芯コイルにしたいのだけど、金欠ゆえ断念。

ツイーター用のコンデンサーはフィルムコンデンサーに変更する。パナソニックのメタライズドポリエステルフィルムコンデンサー「ECQE」。フィルムコンデンサー化するだけでも、高音域の歪み感をある程度は緩和させることができるんじゃないかということでチョイス。
ケースが巨大だけど、今回は基板上のスペースに余裕があるので、リードを適当にフォーミングするだけで取り付けられる。はんだ付けしたあと、すぐ隣にあるコイルと接着して振動を防ぐ。


ウーファー並列用の電解コンデンサーは、以前までニチコンのオーディオ向け電解コンデンサー「MUSE ES」を使っていたのだけど、割とフィルムコンデンサーに近い質感の音なので、電解コンデンサーとしてあてがうには少し不満だった。そこで最近は、あえて標準品のKMEをお試しで採用してみている。
実際にネットワークに実装してみたスピーカーはこれを含めてまだ2機種だけなので音質の評価はもう少し先だけど、実用上はなんの問題もなく、音も特段悪いわけでもなさそうというのが現段階の感想。
ケーブル
内部配線の新しいケーブルは、ユニット側はすべて平形端子、基板側ははんだ付けとなる。
オリジナルは基板側にも端子を圧着しているけど、新しいものはそのまま基板のホールに挿してはんだを盛る。
用意したケーブルは、FOSTEXの「SFC83」。芯径が細めのOFCスピーカーケーブルだ。

わざわざ棒状の端子を圧着させているくらいだから、基板のホールの径はそれほど大きくはないだろうと予想して細めのケーブルを選んだのだけど、実際は直径1mm以上あったので、もうワンサイズ上のケーブルでも無加工で十分扱えた。

これで、ネットワークの改修はひとまず終了。
せっかくのメイドインジャパンなので、新しいパーツ類も日本製にしてみた。
とはいえ、この基板をそのまま筐体内に取り付けることはできない。ひと工夫必要となる。
スピーカーターミナル
スピーカーターミナルのポストは、交換してバナナプラグに対応させたい。ただし、オリジナルの縦長のユニットとピッタリ合う汎用品は、現状存在しないようだ。
エンクロージャーの既存の孔を加工して無理やり汎用品を付けるのは骨が折れるし、シロウトがやるには現実的ではないので、孔は埋めてしまい、その上に独立型のポストを設けることにする。
また、スピーカーターミナルの背面に付けられたネットワーク基板をどこに移設するのがベストなのか検討するのも課題となる。
「EX-101」を整備したときのように、MDFの上に浮かせてから筐体内のどこかにネジ留めすることになるけど、吸音材の無い面は天面部しかない。この面は厚み1.2cm。タッピングネジを捻じ込ませることはなるべく避けたい。
となると、ここはオリジナルと同様、スピーカーターミナルの背後に固定するのが無難となるだろう。
用意した材料は、埋込孔を塞ぐ5mm厚のウォールナットの板と、ネットワーク基板を浮かすためのベースとなる2.5mm厚のMDF、別のスピーカーの整備用に確保していた独立型のバナナプラグ対応ポスト。

これらを現物合わせで加工していく。
まず、エンクロージャーの既存のネジ穴を、M3相当のネジが通るように拡幅、貫通させる。

ポストを固定する位置を決める。
ウォールナットの板は、先ほど開けたネジの位置と、ポスト固定用の孔を開ける。

ポストを取り付けた後でもポストのナットにアクセスできるよう、ポストの背面の孔は直径12mmとする。加工性に優れるウォールナットなので、ドリルで貫通する際も割れることがなかった。
このあと黒で塗装してもいいけど、今回は素地のままとする。
MDFもウォールナットと同様、ネジ固定用の四つの孔を開ける。
また、それとは別に、基板を浮かせるためのスペーサー用の孔を3か所開ける必要がある。孔の位置は、ネットワーク基板のネジ用のホールに合わせる。

今回使用するスペーサーは、M3の金属製。4.7μFのコンデンサーが物理的に干渉しない高さとして10mmのものをチョイス。手元にあったので使ったけど、本来ここは樹脂製のほうがいいかもしれない。ただ、スペーサー自体にネジが切れている金属製のほうが、作業は容易。

固定に使用するネジは、トラス頭のM3ネジ。長さは30mm。
貫通したネジに、固定を兼ねたスペーサーを取り付ける。ここの高さは20mmとする。スピーカーターミナルを固定しているネジやケーブルバインドと干渉しないだけの空間を稼げればいい。

あとは、ポストとネットワーク基板を結線して、MDFをネジ留めして完成となる。


ポイントとしては、スピーカーターミナルとMDFを固定するネジを共用すること。
ネットワーク基板を他所に移設できればここまで手間ではないのだけど、今回は仕方がない。それなりに形にはなったのでよかった。

バスレフポート
前面のバスレフポートにあるウレタンフォームのようなものを、新しいものにする。
といっても、また同じウレタンを設けても同じように劣化するだろうし、なにか良い代替策はないものかと渋谷のハンズを歩き回る。
ウレタンでもエステル系ではなくエーテル系だと加水分解を起こさないらしいのだけど、それっぽいものはちょうど売り切れ。仕方がないので、今回は一般的なウレタンフォームを購入。切り出してポートに詰め込むことにする。
ポートの短辺はちょうど1cmなので、1cm厚のウレタンシートを加工すればいい。
横幅は14.2cm、奥行きは1.8cm。

ダクトを覗くと、やや奥まった位置に爪のような突起が6か所あり、その部分と天面部に少しだけ接着剤の跡がある。新しいものもそれに倣って接着する。

ウレタン系の接着剤は持ち合わせていないので、余っていたG10を代用とする。

改修後の音
一通り整備を終えたので、音を出してみる。

懸念していた高音域は、ある程度改善された。フィルムコンデンサーの搭載はそれなりに効果があったようだ。
現に、自分の頭を「リスニング」から遠ざけ、別の作業をしながらそのBGMとして垂れ流している音をぼんやり耳にしている状態では、不快感は一切無く長時間聴いていられる。音楽鑑賞を司る部分の脳を働かせず、出音を単なる音波として受け流す分には、それを異和と認識しない程度の異和ということだ。
しかし、完全ではない。歪み感は減衰して透明感が増し、聴きやすくなったけれど、ひとたび意識してしまうとやっぱり気になる。
これはツイーターの特性なのかもしれない。また整備する機会があったら、ネットワーク基板を撤廃して、アッテネーターを差し込んだ形で組み直してみよう。
また、これは想定していたことだけど、低音域の明瞭度が下がっている。整備前は開放状態だったバスレフポートに詰め物をしたからにほかならないのだけど、個人的には整備前の質感のほうが好みだ。フォームは取っ払ってしまってもいいのかもしれない。
周波数特性の変化を見る。

整備前と比較すると、200Hz以下がウレタンフォームの影響をモロに受けていることがわかる。この波形を見ても、やっぱりここはフォーム無しのほうがいいな。
まとめ
音自体はたしかに綺麗でストレートに響くのだけど、もう少し音楽的な柔らかさが欲しいと思ってしまうこともある。
たぶん10年前の自分なら、この音が史上で、このスピーカーをたいそう有り難がったことだろう。でも今は、パース感や濃厚さ、音全体の雰囲気作りが上手なスピーカーを好むようになっている。2ウェイなら12dB/octでフィルターした振り分けよりも、多少煩雑になっても6dB/octのゆったりしたクロスの音のほうが心地よい。
若い時分に出会いたかった。
若い時分に出会いたかった。
他方、この時代の国産スピーカーは、廉価でもていねいで作りが良いことを改めて実感した。どうしてもその時代なりの古めかしさはあるけど、強力なマグネットや電子部品の選定など、本来こうあってほしいと思うことをちゃんとやっているという印象だ。

特にソニーは、このスピーカー発売の翌年に民生機初のCDプレイヤーの発表という歴史的なイベントを控えている。オーディオにおける社内の意気込みは相当なものだったと想像する。
このスピーカーの登場も、それを反映して作られているのかもしれない。高級機譲りの平面振動板や高音寄りの音作りをしていることから、そんな妄想をしてしまう。

終。




