Klipschのブックシェルフ型スピーカー「R-41M」の、出音を聞いてみたり、内部を少しだけ調整したりした。その所感。

人生初クリプシュ
クリプシュと聞くと、自分は高級イヤホンを連想する。
15年くらい前だろうか、バランスドアーマチュア型のイヤホンに惹かれて拘っていたころにクリプシュのブランド名を知り、実際に音を試聴したことがある。「Image X10」と、その下位機種だ。
クリプシュのイヤホンの音は決して悪いものではなかったけれど、値段相応かというと首を傾げるところがあり、結局ほかのイヤホンの音が気に入ってそちらを愛用した。そのイメージがあって、いつからかアマゾンでクリプシュのスピーカーが取り扱われて、しかもよく売れていることを知ってからは、どんなものか気になりつつも、個人輸入すればだいぶ安く手に入るし、スピーカーは間に合っているから新品ですぐに買うこともないかなと思って見ないふりしていたら、今はリニューアル機が登場して製造を終了したうえ、円安が進んで個人輸入の旨味も無くなっていたという。
今回は、縁あってデッドストックに近いものを安価に譲ってもらうことができた。人生初所有のクリプシュは、スリムな小型パッシブスピーカー「R-41M」となった。

クリプシュはアメリカのオーディオブランドであることを知っているだけで、音の傾向や一般的な評価などはまったく存じ上げない。言うまでもなく、イヤホンの音も忘れてしまっている。
今回が人生で初のクリプシュ製品といっても差し支えないだろう。

外観
本国アメリカでは2018年発売らしく、外観は一見してモダンな印象。

前面ネットの固定はマグネット式。かなり強力にバッフル面に吸い付く。

横幅が140mm強の、スリムなエンクロージャー。イマドキな感じ。


高さは280mmほどあり、その上半分を矩形のホーンが占有している。小型のスピーカーではめずらしい、ホーンプレート付きのツイーターである。

クリプシュの創業者がホーン機構の有用性を推して開発を続け、それが現代まで継続されていることの顕れらしい。上位機種はもとより、エントリークラスとなる「Referenceシリーズ」のなかでもミニサイズのブックシェルフ型スピーカーであるこのR-41Mまでホーンを備えているのが、ブランド最大の特徴だろう。
ホーン中心部には小さな突起の付いたイコライザーがある。

メタリックブラウンのウーファーコーンは、センターにドームの無い椀形。

構造はケンウッドの「LS-VH7」とそっくり。材質は樹脂のようだけど、かなり硬そうな質感をしている。見た目どおり金属みたい。
また、フランジ部の樹脂製のリングはフレア状なっている。
ツイーターホーンに4点、ウーファーのフランジに6点の六角穴キャップが見え、すべてメタリックブラウン。コーンやブランドロゴなど、ブラック以外のカラーをこのブロンズカラーで統一されており、無骨でありながら野暮ったさを感じないスマートなデザイン。

背面にはコネクターユニットと、大きく口を開いたバスレフポート、壁面固定用の穴がある。


ダクト長は約138mm、直径は約50mmと、このサイズのスピーカーにしては大きめ。さらにポートもフレア状になっており、前面のホーンと同じくらいの存在感がある。
エンクロージャーの仕上げは、4面が黒の木目調のPVCシート。ただし、古い木材を再現しているのか、傷や毛羽立たせたような模様があったり、プレーナーで削った跡のようなものをあえて再現した、かなりリアルに寄った質感のものだ。


表層もかなりゴツゴツとしており、見た目だけでは天然木に塗装したものと区別がつきにくい。また、実際に傷がついてもカモフラージュされて目立たないのも良い。

音
音を聴いてみる。アンプはヤマハのAVレシーバー「RX-S602」。8Ω設定で「DIRECT」モード。パソコンから再生。
予想はしていたことだけど、バスレフから中高音がかなり出てくる。もちろん低音も出てくるのだけど、ウーファーの音がそのまま背面からも出ているような印象を受けるくらい、いろんな音が噴き出してくる。
低音方向のレンジは丸く、低い音はほとんど聞こえてこない。80Hzあたりがズモモモと出てくるため、量感は申し分ないけれどやや不自然。いわゆる「バスレフ臭さ」が強調されてしまっている。壁面から10cm以上離していてもまだキビシイ。
中高音は、音自体は無難な印象。ひずみ感がそれなりに抑えられており、突飛な帯域もなくフラットに聞こえる。
定位は平凡。中音を中心に真ん中に寄っていて、ボーカルやナレーションは目の前からしっかりと聞こえてくる。
ただし、全体的に手前側で展開するやや独特の音場であり、高めの中音などはゴチャゴチャするし、広いはずの音場が小ぢんまりとしてしまい、質感がチープに聞こえるのがもったいない。
おそらくバスレフからの出音と干渉して制御できていないものと思われる。
自分の環境なのか、本来の性能を引き出せていない気がする。

周波数特性を見る。


径の小さいウーファーながら、低音方向のレンジはかなり頑張っているように思う。ただ、先のとおり頑張りすぎのような気もする。
それ以外は、綺麗に統制されたフラットな特性に見える。ホーンツイーターの性質で、特定の音域が強調されたりするのかなと思っていたけれど、ここまで綺麗なのは自分としては意外だ。

このスピーカーのインピーダンスは定格で8Ωとなっているけれど、それにしては低めに計測されている。ほぼ新品のスピーカーなので、故障ではないと思いたい。
たまにこういったスピーカーに出会うことがあるけれど、このあたりは未だになにが正解なのかわからない。
内部
この時点で調整したいことはだいたい固まっている。とりあえず、内部を見てからなにに手をつけるか決める。
ブロンズカラーのネジは、銅製ではないよなとは思いつつ、アルミ製にめっきしてあるのかなと予想していたけれど、磁石にくっつくのでフェライト系ステンレスあたりか。

6つのネジはフランジ部の樹脂製リングとドライバーユニットをまとめて固定している。

エンクロージャーはMDF製で、前面バッフルは厚みが約18mm。ただし、表層から半分くらいまでザグリ加工された面にドライバーを固定していて、沈みこんだ位置にある。

おそらくホーンで奥まった位置にあるツイーターとの時間的差異の調整のため、掘り下げているのだろう。
ちなみに、背面の板厚は約16mm。それ以外の面はわからないけれど、さらに薄いものが使われているようだ。
両ドライバーユニットは、ネジを外すだけで簡単に分離できる。



コーンのエッジは硬質のゴム製。

制動を効かせる仕様のようだけれど、コルゲーションダンパーは比較的柔らかく、ストローク自体はそこまで重くはない印象。高音域の共振はそれなりに出てくるとしても、椀型のコーンだとそれも小さくて済むのかな。

ツイーターは、昨今の製品では主流となっているネオジウムマグネットを利用した磁気回路。


樹脂製のホーンプレートとドライバー部は3本のネジで緊結されているだけ。

このツイーターはバッフル面の4つのネジでユニット丸ごと支えていることになり、JBLの「J216」などで見られる、経年でボロボロになるツイータープレートが脳裏をよぎるけれど、あちらよりはしっかりしているし、ネオジウムマグネットでだいぶ軽量になるから問題ない、とかだろうか。

ここでも接着剤は使われておらず、簡単に内部を拝める。

最近気づいたこととして、接着剤を使わないのは、省力化のためにそもそも必要がない構造にしているのもあるけれど、近代になって厳しくなった有害物質規制に引っ掛かりにくくする点で、使わなくていいものには使わないようになったのかな、とも思う。
ギャップ内には磁性流体が敷かれている。ドームはアルミ製のようだ。


ディバイディングネットワークの基板と一体にできるようなボックス型コネクターユニットも、近代のスピーカーに見られる合理化のひとつだ。


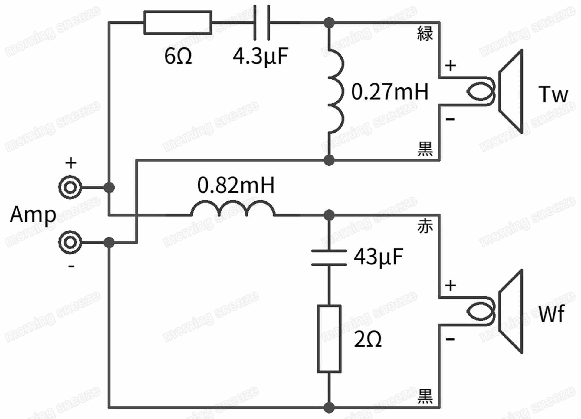
回路構成はシンプル。ただ、LPFで43μFというかなり大きめのコンデンサーが使われているのは、初めて見たかもしれない。

意外だったのは、HPFに電解コンデンサーが単発で使われていることだ。聴感でひずみ感が小さいので、てっきりここはフィルムコンデンサーだろうと思っていた。信号経路以外の部分で、綺麗にコンディショニングされているのだろう。

エンクロージャー内部もかなり簡素だ。補強らしい補強も最低限で、梁や内張りも無い。

吸音材は、ディバイディングネットワークの基板の周りをまとうように、コの字型に詰められたエステルウールがあるのみ。


バスレフ型でもふんだんに詰めこんで吸音するのが国外メーカーのスピーカーに対するイメージだけれど、こちらは吸音がかなり少なめだ。
バスレフダクトは紙製。ツイーターがネオジウムマグネットであることが前提であるような、前面バッフルギリギリまでダクトが伸びている。


整備
いつのころからか、初見のバスレフ型スピーカーの試聴をするときは、振動板の音を正面から聞くよりもまずバスレフからの出音の具合を確認するようになっている。
今回も、そのときの印象と、まだまだ新しい製品であることを踏まえて、今回はバスレフダクトの調整のみ施して仕舞いとする。「バスレフ臭さ」を薄めて落ち着かせるだけ。

性能を落とすだけなら、内側の開口部を塞ぐようなかたちでガーゼを重ねるのだけど、今回はダクト径が大きいので、ダクト内にフェルトを貼るのが比較的容易い。
というわけで、最近出番の多い100均ショップで手に入る片面粘着付きの薄いフェルトを、ダクトの長さぶん切り出す。

これでダクト由来つまり背面由来の中高音が低減されて、妙な音場感が改善されることを狙う。ダクト長が短いとあまり意味は無いのだけど、今回の場合はそれなりに効果があるはずだ。

また、厚みが1mm程度の薄手のフェルトだけど、ダクト内部全周に貼りつけたことで一応ダクト径が小さくなったため、そのぶんダクトの共振周波数がほんの少しだけ下がる。これが聴感上ではボコボコモコモコ感の低減につながるはず。
元に戻すついでに、ネットワーク基板のケーブルのはんだ付け部に、補強として接着剤を盛っておく。

ここは経験上、古いスピーカーであっても意外とはんだが割れずにいることが大半だけど、近代の無鉛はんだの場合はどうなるかわからないので、気がついたらなるべく補強しておくことにしている。

フィルター回路や筐体内の吸音材は、とりあえずそのままとする。
調整後の音
たいした整備はしていないので再調整を前提に音を出してみたけれど、作業後の音はかなり変化が出ているのがわかる。

中高音が明確になっている。蚊柱のごとく煩わしいいわば"音溜り"みたいなモワモワした音がだいぶスッキリして、聞こえなかった音が聞こえるようになっている。整備前とは印象がけっこう異なる。小音量でも空気感の表現が上手いスピーカーだったんだな……。
低音は、まだ特定の帯域でボコボコする感じが残るものの、ある程度は均されて不自然さが低減している。ここからさらにガーゼを追加してもいいけれど、このくらいなら、まあ、許容範囲なんじゃないかな。音に濡れ感が出て、下にグッと沈むような音が多少なりとも出ている。

帯域全体のエネルギーバランスが整理されて、手前側で展開する音場も解消されている。見通しが良くなった代わりに、能率感が減退している。とはいえ、元がそこまで低能率のスピーカーではないから、整備後のメリットの享受のほうが大きいだろう。
まとめ
正直、整備前の音は肌に合わなかったので、簡単な調整だけで大きく改善されたのは良かった。たぶんこのスピーカーは、設置環境に音調が左右されやすいのだろうと思う。

さておき、ポークオーディオの「ES10」を鳴らしてみたときも感じたことだけど、最近の小型スピーカーは音がしっかりしていて不足がない。造りの詰めが甘い部分はどうしてもあるけれど、設計は合理的で無駄がない。予算配分と仕様の落としどころを上手く見つけている気配、言ってしまえば"熟れた感"がある。
たとえいっさい試聴せず見た目の好みだけで選んだとしても、それなりの水準の音が手に入る。一時期の粗製濫造されていたころと比べれば、良い時代になったんじゃないか。

そこに日本のオーディオブランドが名を連ねていないのが悲しいところだけど。
終。



