ヤマハのスピーカー「NS-BP182」を入手した。出音を聴き、ディバイディングネットワークの調整でバランスを微修正した話。本記事では、音以外の部分について同じヤマハの「NS-BP200」との比較を主軸としている。

コンポ向けミニスピーカー


少し前にオーディオのジャンク同然の品をまとめて入手したなかにあったものだけど、前所有者いわく一応音は出るとのこと。

この2ウェイシステム、某所でロングセラーの個人的に謎のスピーカー「NS-BP200」と、雰囲気が似ている。発売順としては、こちらが数年後発のようだ。
スピーカーシステムとして単品発売されていたものだけど、同時期発売のCDレシーバー「CRX-N560」とのセットが想定されていて、通販限定である「MCR-N560」というミニコンポのスピーカー部としても世に送り出されていたらしい。

いわゆるコンポスピーカー。新品でもペアで2万円という手の届きやすい価格。しかし国内ブランドが悉く撤退している現代のホームオーディオ界隈では、こういったスピーカーでこの価格帯のものを手に入れようとすると、意外と選択肢が少なかったりする。
外観
音が出ることを簡単に確認してから、外観を見ていく。
表層
前面バッフルとバックパネルを除く面が、ツヤツヤした光沢のある化粧板となっている。


今回入手したのは「ピアノブラック」というカラー。ぱっと見では綺麗だけど、NS-BP200でもそうだったように、ウレタン吹付けなどではなく化粧シートが張られた合板あるいはMDFであって、触ってみるとビニールのような質感である。

とはいえ、こちらはバッフル板の化粧プレートまでツヤツヤで、NS-BP200と比べると少し手間をかけた意匠に見える。

バッフル
前面のネットはマグネット着脱式。アウトラインはひょうたん形ではなく、両側面がゆったりと弧を描いたオーバルに近い形状。

バッフル表層にドライバー固定用のネジ頭が見えない構造で、意匠はスッキリ。そのネジはおそらく化粧の樹脂プレートの下だろう。
ドライバーの周囲にある溝は、この部分でプレートが分離するわけではなく、本当にただの溝。

本来は不要のはずだけど、意匠上必要なのだろう。なるほどこの溝が無いことを想像すると、のっぺりとした顔になってしまう。
背面
背面は、やはり大きく独特な形状のコネクターユニットを備え、紙ダクトのバスレフダクトと並ぶ。


ドライバー
ミッドバスはマイカ入り樹脂「A-PMD(Advanced Polymer Injected Mica Diaphragm)」の、真っ白いコーン。


ツイーターはよく見るソフトドーム。3cmソフトドームということ以外には、よくわからない。

底面
底面には、3点支持の脚が固定されている。

この脚のパーツ、いささか面の中心に寄りすぎていて、安定性にやや欠ける。もう少し各パーツを離しておきたい気もする。
整備前の音
出音を聴いてみる。アンプは同じヤマハの「RX-S602」。インシュレーターは別途使用せず、そのまま。
能率低いな、というのは予想していたとおり。低音はバスレフの効いたもので、背面を壁面からけっこう離さないと曲調によってはくどくなりがち。
NS-BP200はずいぶん前に手放しており、音も詳細を忘れてしまった。よってすぐに比較することができない。ただ、過去の自分によれば、NS-BP200では物足りなさを感じた中高音について、こちらではその印象が無いので、周波数応答としてのバランスはこちらのほうが整っているのかもしれない。
低音は量感がある反面、レンジ感はそれほどでもない。欲張らないかぎり、サイズを鑑みれば十分な性能。
中高音はクセが小さいものの、ミッドバスからも高い音がそこそこ出ているようで、雑味が多少ある。とはいえ、これも慣れればそこまで気にならない。
特性的に満遍なく鳴らす雰囲気で、冷淡でモニターライク。取り立てるほど秀でたものは見あたらないが、大きな不可もない。価格なりとも言える。

周波数特性を見てみる。ツイーター軸上50cmの位置で収音。5回収音の平均値。スムージングは、平均化後に実施。


ビジュアライズでも聴感と一致していて、フラットに寄っている。公称の再生周波数帯域の下限は60Hzということで、実物がここまでしっかりカバーしているのもめずらしい。
900Hzから1kHz付近にある山は、前回の「NS-B500」でもこの付近に見られたけど、これはこのサイズのA-PMD製コーンの特性なのだろうか。

内部
コネクターユニットの取外し

したがって、前面からドライバーを外してみるしかない。
化粧プレートの取外し
六角穴の4つのネジを外し、化粧プレートの中心部とバッフル板をなんとかして引き離す。
ネジを外した隙間から皮スキを少しずつ差し入れて、てこの原理で慎重に剥がす。
ここで外そうとしているのは、左右にひとつずつあるダボ。接着剤の使用もわずかで、樹脂製の化粧プレートを破損しないように力加減に注意しながら作業すればわりとあっさり外れる。

化粧プレートが外れれば、あとはドライバーユニットを固定しているネジを外すだけ。



エンクロージャーの補強
エンクロージャーはMDFで組まれている。

バッフルのみ厚みが15mm。それ以外の面は12mmで、一般的な仕様……と思いきや、筐体内の両側面に梁が渡っている。


この補強材の材質はMDFで、大きいものと小さいものを組み合わせて作られている。おそらく、大きいほうを差し入れたあと、側板との空隙に小さいほうを楔のごとく挿し入れて接着したものと推測する。梁を設けるとなると、たいてい筐体構成時にあらかじめ組みこまれるものだけど、この方法であればすでに組まれた筐体に後付けできる。

安価なスピーカーでこの内部補強はなかなか英断だな、と思いつつ、ヤマハのウェブサイトの当該説明を見ると、
とあり、仰々しいシステムであることをほのめかしている。『特殊な複合構造体』の正体が二枚のMDFであり、この大仰さがなんともオーディオらしい"しぐさ"で白けるところではあるものの、ここに手間をかけていることは間違いないので、「物は言いよう」「羊頭狗肉」「言葉の綾」ということにしておく。
吸音材
気を取り直して。吸音材はニードルフェルトで、底面と天面の背面側、さらに先の補強材の上にも接着されている。


ミッドバス
ミッドバスドライバーは金属プレスのフレームに組まれている。



ホワイトコーンは、乳白色というよりは光をほとんど透過しない「白」である。

特徴として、フェライトマグネットの径が小さめで、のちに見るツイーターと同じ直径65mm。


ツイーター



樹脂製のプレートには、ボイスコイルから伸びるリード線の保護と思しきフォーム製のシートが二枚貼られている。


この片面粘着のシートはやや固着していて、プレートを外そうものならシートが一緒にリード線を持っていき引きちぎってしまうことが容易に想像できる。ここはそっとしておく。
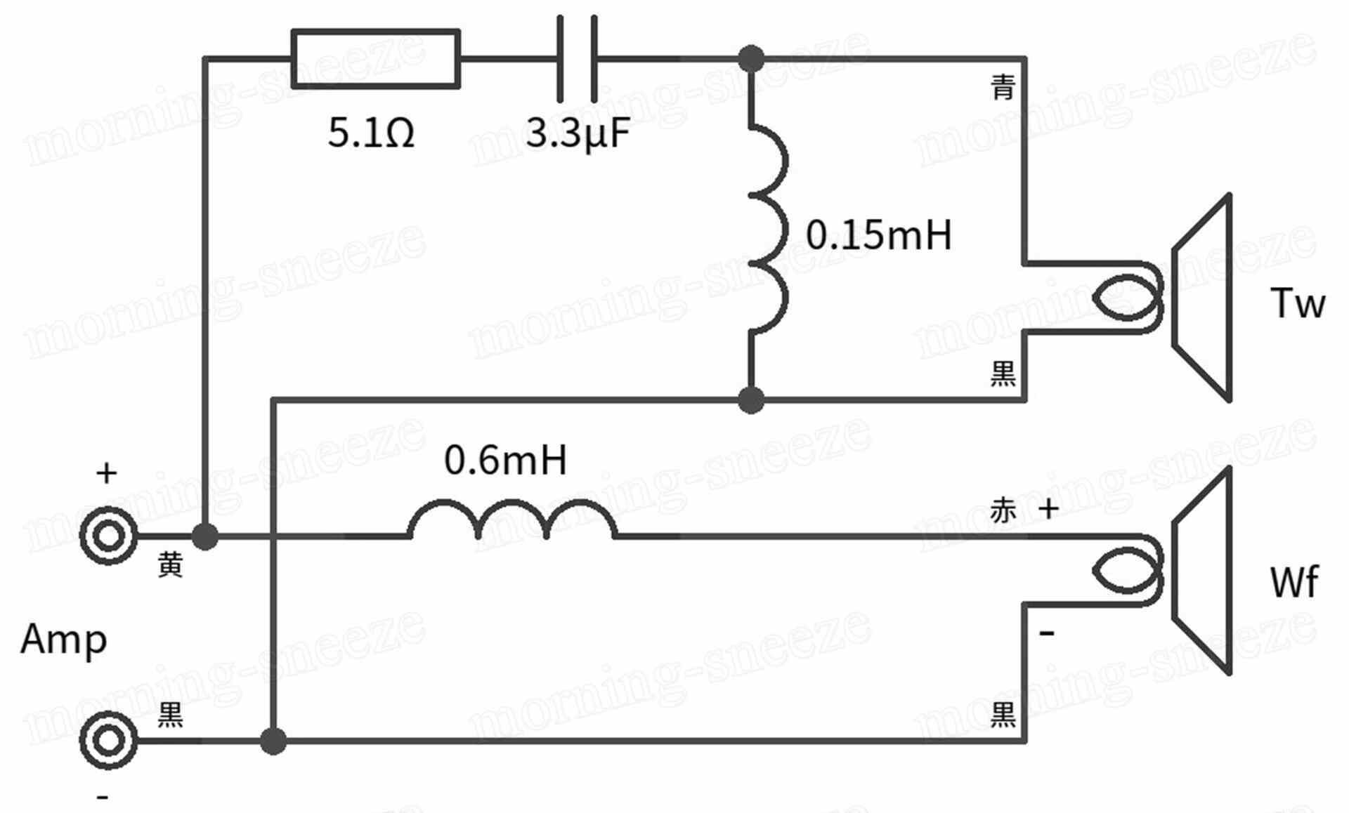
ディバイディングネットワーク
ディバイディングネットワークを見る。コネクターユニットに背負われている。



この基板は、NS-BP200と同じものだ。使われているパーツも同系のものである。コネクターユニットも含め、NS-BP200の部材を流用しているようだ。しかし、回路の設計は異なる。

LPFは二次のコンデンサーが無く、-12dB/octから-6dB/octになっている。

HPF側も数値が微妙に違っている。
整備
分解当初は外装の清掃とバインディングポストの交換のみで、ディバイディングネットワークまでは弄るつもりがなかったけれど、ここまで分解したのならやってみてもいいか、となった。周波数特性上の1kHz付近の山を抑えて、さらなるフラット化を試みる。
コイルの交換
ちょうど手持ちに0.16mHの空芯コイルがあるので、ひとまずHPFのコアコイルをコレに換装してしまう。


ドライバーとコネクターの清掃
ミッドバスドライバーとコネクターユニットの清掃も、この段階で済ませておく。

ミッドバスの清掃に関しては、前回の方法とまったく一緒。洗剤でサラサラと拭き掃除し、ゴム製サラウンドにラバープロテクタントを擦りこむ。
今回はあまり汚れていない


フットパーツの移設
底面にある3点の脚のうち、背面側のひとつをさらにバックパネル側に移設する。これは音質云々ではなく、スピーカー全体がカクカクと傾きやすいのを少しでも解消するためだ。

フットパーツを外したのち、既存のネジ孔から13mm背面方向の位置に新たにネジの下穴を開けて、固定しなおす。この位置だと、既存のネジ孔がフットパーツに隠れて目立たない。

リード線の復旧
さて、上述の作業を終えたのち、ディバイディングネットワークの調整の準備として、ユニット類をいったん元に戻し、再び音を出せるようにする。そのさい、片方のツイーターから音が出ていないことに気づく。

分解前は問題なかった。また、先述のとおり、ユニットの分解はしていない。ということは、ツイーターユニットのターミナルから平形端子を抜くときに、ターミナルに繋がっていたリード線が引っ張られて切れたことが考えられる。自分の経験からして、とりわけヤマハのスピーカードライバーであれば、こういったことが起こりうる。
見ると、実際、切れていた。

なんだかな、と思いつつ、こうなると気後れしていたツイーターユニットの分解をむしろせざるを得なくなったわけで、さっさとプレートを外してみる。

当該箇所を見てみると、切れたほうのリード線は、余長がほぼ無いに等しいものとなっていることが判る。もうひとつのドライバーで同じ位置を確認すると、リード線がちゃんと弛ませてある。


どうやらたまたまハズレの個体だったらしい。幸いにもはんだを少し盛るだけで復旧が済むけれど、どうもヤマハのスピーカードライバーはターミナルラグ周りの設計があまりよろしくないという認識を、忘れず持ち続けねばならないようだ。
フィルターの検討
余計な作業が挟まったものの、ようやくディバイディングネットワークの調整に進む。
まずは、LPFで省略されていた二次フィルターのコンデンサーをあえて付与して音の変化を確認する。既存の0.6mHのコイルに4.7μFのコンデンサーをあてがうと、プレゼンス帯が持ち上がって高音域が明瞭になる。これはこれでアリでは? という気もする。この有無についてはちょっと判断がつかないので、いったん保留。
次に、本命である共振回路の構築。コイルとコンデンサーを直列に繋いだものを、ミッドバスドライバーに並列に接続する。都度特性を見ながらコンデンサーの静電容量を微調整していく。すると、900Hzを狙ったディッピングフィルターにするとちょうどいい模様。


当初はこれに10Ωの抵抗器も繋げたLCR直列のフィルターとしていたものの、これを挿入してもまったくと言っていいほどピークの抑止にならず、最終的には抵抗器無しの状態でようやく欲しい効能が顕れてくれた。とはいえ、これではさすがにインピーダンス特性がおかしなことになりそうだということで、小さめの抵抗器を申し訳程度に繋げる。


共振回路が決まったところで、保留にしていた4.7μFのコンデンサーのほうはどうするのか。
聴感の差だけでいえば、正直なところ好みの問題かな、という気もしないでもない。しかし結局、今回は自前の平坦な周波数特性から大きく崩さないでおくということで、このコンデンサー付与はしないこととする。


ちなみに、共振回路を付与した副作用として、1.5kHz付近にも影響が出ている。この補完を目的としてHPF側の直列コンデンサーの容量を増やすことも検討したけど、全体のバランスが崩れるようなので今回は不採用とする。

回路の固定と接続
新しく付加される共振回路は、いったんユニバーサル基板上で組んだあと、適当に切り出したMDFに括りつけ、さらにそれをエンクロージャーの側面の内壁に接着することでスピーカー内に配備する。


既存の基板側との接続には、ちょうど空いているコンデンサー用のホールを利用。


バインディングポストの交換
当初の目的であったバインディングポストの換装が、最後となる。新しいポストは、久々に三角ナット型の金属キャップ製をチョイス。

コネクターユニットを固定するプラスネジも交換。このタッピンネジは、M3.5相当である点に留意。
整備後の音
信号回路は結果として特定の周波数を抑えるだけに留まったため、音は分解前から大きな変化はない。


聴感で強いて挙げるとすれば、ポップスは落ち着いて古典クラシックはクリアになった。といっても聴き比べないと判らない程度だろう。高価なコイルをわざわざ用意してまでする必要もなく、おそらくはメーカーもそう考えたところだろう。
フィルターを弄っていない低音域に変化があるのは、ドライバーを清掃した影響か。

まとめ
ヤマハのウェブサイトも参照しながら、判る範囲で情報をまとめる。
| 項目 | NS-BP182 | NS-BP200 |
|---|---|---|
| 発売時期 | 後発(2013年) | 先行(2010年) |
| 希望小売価格(税抜) | 18,000円(2台1組) | オープン価格(2台1組) |
| システム | 2ウェイ/2スピーカー/バスレフ式 | |
| ツイーター | 3cmソフトドーム型 | |
| ミッドバス | 12cmコーン型 A-PMD振動板(ホワイトコーン) |
12cmコーン型 コーン材質詳細不明 |
| インピーダンス | 6Ω | |
| 許容入力 | 40W | |
| 最大入力 | 110W | |
| 出力音圧レベル(2.83V/1m) | 83dB | 85dB |
| 再生周波数帯域 |
60Hz~40kHz(-10dB)、 |
55Hz~28kHz(-10dB)、 |
| クロスオーバー周波数 | 5kHz | 4.5kHz |
| 外形寸法(W x H x D) | 154 x 273 x 230mm | 154 x 274 x 287mm |
| 質量(1台) | 3.3kg | 3.9kg |
| キャビネット内部補強 | VCCS(MDF) | 天面および側面に MDF材貼付 |
| ネットワーク基板 | X3078(両者共通) | |
| コネクターユニット | 埋込ボックス型(両者共通) | |
| ローパスフィルター構成 | 一次(-6dB/oct) | 二次(-12dB/oct) |
| ハイパスフィルター構成 | 二次(-12dB/oct) | |
| バインディングポスト |
4mmバナナプラグ対応/樹脂キャップネジ式 |
|
| 前面保護ネット | マグネット着脱式 オーバル形状 |
マグネット着脱式 ひょうたん形状 |
| 前面化粧プレート仕上げ | 一部光沢仕上げ | 全面つや消し |
| バッフル面の形状 | 立体的な面取り | フラット |
| カラーバリエーション | ピアノブラック(BP) ブラウン(MB) |
ピアノブラック(BP)のみ |
| 想定用途 | CRX-N560とのセット想定 MCR-N560のスピーカー部 |
単品販売中心? |
本機とNS-BP200と比べると、共通の部分もあれど細かい部分で微妙に異なっていて、基本的には両者は別物。LPFやコーンの材質の違いによって、音質にどんな差があるのかは、もしも今後NS-BP200の実機を入手する機会があれば確認してみたい。
ここで、なぜNS-BP182というスピーカーが開発されたのか、という疑問が浮かんでくる。

NS-BP200の後継機なのか? というと、本機が発売されたあとも並行してNS-BP200が流通していたようだし、単純に置き換えたい事情ではない気がする。しかしながら両者はサイズもグレードも近く、どちらもハイレゾ再生に対応する高音再生能力を持つ。そんななかで仕様が明確に異なるのはコーン型ドライバーくらいだけど、新しいCDレシーバー向けとして差別化するには弱いと思う。
すると、あとは両者の系譜、ルーツの違いだろうか。このあたりも整理していないので、そのうちちゃんと調べてみるかもしれない。

終。










