デノンのスピーカー「USC-101」を入手した。故障部位を直して音の調整をしてみた所感。

「EXSCENE」のスピーカー部
コンポ向けスピーカーの修繕が続く。今回はデノンの「USC-101」という製品。


某オークションサイトで出品されていたもの。適当に札を入れていたら落ちていたのだけど、けっこう前のことだから、なぜ札を入れようと思ったのか自分でもあまり覚えていない。品番に"101"という並びが見えたからかもしれない。

前面ネット下部にあるエンブレムに見慣れない文字が並ぶ。メーカーロゴのDENONではなく、「EXSCENE」となっている。

これは当時のデノンが展開していたシステムコンポのシリーズ名。「エクシーン」と読むらしい。辞書に載っていないので、造語だろうか。
資料が手元にいっさい無いのでインターネットにお尋ねすると、このスピーカーは1992年発売の「D-101」というコンポのスピーカー部であることがわかる。当時の国内オーディオメーカーがこぞって発表していた、セパレートタイプのいわゆる高級コンポの一類に含まれる。
そのなかでD-101は、増幅部もプリとメインで独立させた「本物志向」を謳っていた。

ちなみに、よく似た風貌の「USC-250」というスピーカーもあるけど、なにが異なるのかは不明。
外観
エンクロージャー
時代だなァと思いつつ、外観を見ていく。

全身がテカテカの木目調のシート仕上げ。かなり暗めのブラウンカラーで、光沢仕上げによってそれがさらに際立っている。


片方のスピーカーのみ、天面がやたら擦れている。逆さまに置かれていたのだろうか。

安価なスピーカーなので、エンクロージャーはおそらくパーティクルボード。側板を叩いてみた雰囲気、そこまで厚みのあるものでもなさそうだけど、全体の質量はそこそこあるんだよな。

バッフル面の樹脂製の化粧用プレートしかり、高級感は望めない。でもまあ、このあたりは相応の質感といえる。

背面はスナップイン式のコネクターユニットとラベルシール。省略されがちなバックパネルもキッチリとPVCシート仕上げなのは良き。

ドライバー
ミッドバスのサラウンドが朽ちているけど、音は出るらしい。表層に防湿加工のようなものが施されたパルプコーンに見える。

ツイーターは5cmコーン型。こちらもコーン部は紙製のようだ。

下部にはバスレフポート。内部のダクトは前面の化粧用プレートと一体の成形となっている。

内部
このままではリスニングができないので、さっさとミッドバスドライバーを取り外して、サラウンドを張り替えてしまいたい。
バッフル
そのために分解しようかという直前、ツイーターの振動板の最外周にある接着の一部が剥がれていることに気づく。さらによく見てみると、その部分はコーン自体が小さく破れているのだった。

おそらく前オーナーが誤って指かなにかで突いてしまい、そのさいに破損したことに気づかなかったのだろう。



前面の化粧用プレートは、1本あたり8か所の六角穴のネジを外すだけで取っ払える。うち4か所はミッドバスユニットの固定も兼ねている。


劣化状況
先に見たツイーターの振動板は、湿気でやられたのか脆くなっていて、破けたところから力無くボロボロと解れていく。


ミッドバス
ミッドバスユニットは、持ち上げてみると思いのほか重い。




金属プレス製のフレームに組まれている。マグネットを覆うカバーには孔が開いているものの、ヨークを貫通する通気孔は開けられていないようだ。低音域の伸びや量感はそれほどでもないのかもしれない。


この段階で、ミッドバスのコーンをある程度洗浄しておく。



ツイーター
キャンセルマグネットが大幅にズレて接着されているツイーターユニットは、まあ、昨今のコンシューマー向けのスピーカーシステムでは見かけることがないであろう安いヤツ。特筆することもない。



ディバインディングネットワーク
それに対して、ディバイディングネットワークのHPFに使われているのは、オーディオ向けの高級電解コンデンサー「AXF」という、妙にアンバランスな取り合わせ。

なぜか2台でコアコイルのエナメルの色が異なっていたり、なにも接続されていないリードに謎のはんだが大盛りで付いていたりと、質感は良くない。


内部補強
エンクロージャーはやはりパーティクルボード。




おそらくすべての面が単層パーティクルボードだろう。バッフルとキャビネット部で繊維質の大きさが異なり、バッフル板は比較してやや粗めとなっている。
キャビネット側に内部の補強は無いけれど、前面バッフルとの接合部には細長い棒状の繊維材を流しており、脆弱部の補填をしている。


吸音材は、背面上部にニードルフェルトを貼りつけているのみ。
整備
方針
ツイーターに関しては、リペア用の振動板一式を探して購入するよりも、同じような形状の既製品を買ったほうが圧倒的に早いし安い。また、ここは2インチ相当のユニットで、しかも前面が化粧用プレートで隠れる都合、あえて小型のフルレンジドライバーに換装してグレードアップを図ってみても意匠の違和が無いだろう。
とはいえ、このスピーカーにそこまで手間暇かけたくないというのもある。ひとまず元の状態に近づけることを目標とし、大陸大手の某ECサイトでオリジナルと似たようなコーン型ツイーターを見つけて、ミッドバス用のサラウンドと一緒に個人輸入する。しかるにリペア用サラウンドは、5インチ相当でも汎用的な寸法ではないためやや高くついた。
あとは、届いたツイーターユニットの特性を確認して、専用の分波回路を構築する。
ミッドバスサラウンドの張替え
発注から2週間くらいでリペア用パーツが到着。まずはミッドバスから。
古いサラウンドや接着剤を撤去する。一応、ドライバーの外周に付いている既存の紙製ガスケットは再利用するので、なるべく綺麗に取り除く。

新しいサラウンドをどうやって張るか。けだし、いわゆるダウンロール、「凹」ロールにして、オリジナルと同じくコーンの内面側と接着するのが、意匠もコーンの動作としても好みなのだけど、これだと大音量を流すと沈みこんだロールがフレームのアングル部と物理的に接触しそうになるほど接近するので、止むを得ず断念。

で、作業が簡単であるコーンの放射側に接着する方法を選択する。
新ツイーター
購入したリペア用の新しいツイーターも、オリジナルと同じ紙製コーンに銀色のキャップ。


磁気回路もフェライトマグネットの防磁設計。
ユニットにケーブルを接続するためのタブが小さいうえ、導電性のケース部に容易に接触しそうな構造が怖いので、ここにそのまま平形端子は挿せない。

ツイーターの換装
このツイーターユニットはオリジナルと同じネジ2点留めで、孔の位置も同じ。しかし単純に交換するだけとはいかない。バッフルに開けられた既存の穴は直径52mm強なのに対し、新しいユニットは51mmと微妙に小さく、そのまま固定するとバッフルとドライバー外周部とのあいだにわずかに隙間ができるためだ。

ここを塞ぐフェルト製リングを制作。

バッフルに固定するさい、このフェルトの部分にパテ代わりの接着剤を盛ってから貼りつける。
それとついでに、ユニットの分離用の平形端子を別に設けるため、タブに適当なケーブルをはんだ付けして、ショートしない位置に接続点を設ける。


クロスオーバーの検討
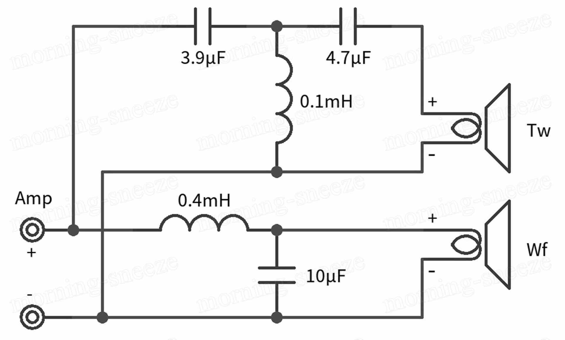
ここでいったんドライバー類をバッフルに取りつけて、ディバインディングネットワークの構築に入る。
フィルタースルーだったミッドバス側は、HPFのコアコイル0.4mHをLPF1次用として流用。コンデンサーを付け加えて-12dB/octとする。

要調整となるのは、ツイーター自体が別物になっているHPF側。新ツイーターは、オリジナルほぼそのままのフィルターで鳴らすと、自身が持つ中音の強烈な共振を抑えることができない。まあ、これを見なかったことにするのもいいのだけど、せっかく新しく組むのだし、手持ちのパーツでなんとかなる範囲かつ違和感の出ない範疇で抑えつけてみる。

2次フィルターと3次フィルターのどちらを採用するか最後まで迷う。2次では共振を叩けない。3次フィルターとすると、それがある程度解消する代わりに、ほかの関係ない帯域まで抑えつけてしまい、音がつまらなくなる。
弄くりまわし、最終的には定型からやや外れた定数の3次フィルターとすることでようやく終決する。


高音域が出すぎず、かつ必要以上にプレゼンス帯が落ちこみすぎずに、余計な中音を抑えたいとなると、自分にはひとまずこの程度しか整えられない。
これだけのことに半日もかけてしまった。そもそもの話、ツイーター固有の特性に対してフィルターでアレコレ調整することがアホらしくなってきた。これなら一般的なソフトドーム型ツイーターにしておけばよかった。
コネクターユニットの換装
背面のコネクターも、バナナプラグを挿したいので別のものに交換する。

汎用の丸形コネクターユニットであれば、筐体側を加工せずにそのまま換装できる。しかし、ラベルシールの上にフランジ部が被るのがみっともない。

ラベルシールを別の位置に移植する。
ラベルは皮スキで剥がし、残った糊は100均ショップでも売られているシールはがしを使って拭き取る。

ディバインディングネットワークの構築
新フィルター回路はユニバーサル基板上に組む。

これをコネクターユニットと突き合わせて一体にする、市販のスピーカーでよく見かける方法で筐体内に配備する。
エンクロージャーの補強
柔い板材に対してどの程度効果があるかわからないけど、エンクロージャー内部にラダー風の補強を施してみる。
細長く切り出したMDFとボルトを用意。

筐体内の両側面に棒状のMDFを接着。その2枚にかかる梁のようにボルトを渡して、ナットを回してほんの少しだけテンションをかけた状態にする。

ナットを回しすぎて強く突っ張らせた状態にすると、その時はなんともなくても、時間が経つとエンクロージャーそのものが変形したりする可能性がある。テンションはボルトが落っこちない程度に留めて、ボルトの両端を接着してしまうのが吉。

吸音材の新設
手持ちに以前の整備で使用したシンサレートのシートが余っているので、追加の吸音材として活用する。

底面に一枚。それとウーファーのマグネットのカバーに巻きつけるように接着して仕舞い。


音
さて、組み上がったので音を聴いてみる。
音質に関しては当初からあまり期待していなかった。実際、こんなもんだよな、という感じ。
ミッドバスの構造を見て予想したとおり、低音はわりとおとなしい。量感はちょうどよい代わりにレンジは狭めか。
中高音が主張するかというとそうでもない。分解能が低く、大振りな音。クセが小さいといえばそうなのだけど、ノッペリしすぎとも言える。
いわゆる"ドンシャリ"の音になるよう、高めの音が主張するようにフィルター回路を調節しているけど、もう少し抑えてもよかったかも。普段はあえてドンシャリに調整することなんてしないので、いざやってみると難しい。


良くも悪くもコンポスピーカーといえる。秀でたところを挙げるのが難しいけれど、こんなもんだよと言われればそのとおり。少なくとも現代でこの音が求められることはないだろう。
試聴したあとも、フェルトシートを貼って微調整するも、改善は微々たるものだった。




今回、インピーダンスの調整はいっさいしていないので、特性も不思議なものとなっている。それにしても、6Ωのミッドバスはまだしも、ツイーターは8Ωにしてはだいぶ低いな。

まとめ
このテのスピーカーに多くを望むことがナンセンスであることは理解している。しかし、これが当時セットで17万7千円したオーディオか、という感想しか出てこないのも確か。

今回は聴けなかったオリジナルのツイーターの音がじつは優秀だった、とかであれば、まだバランスが釣り合える気もするけれど、望み薄だろうな。

原状回復する金額で別の中古スピーカーを購入したほうがいい。需要があるとすれば、整備前の段でも考えたとおり、やはりツイーターを別のドライバーに交換するなどの改造のベースとするくらいだろう。
終。








![3Mシンサレート吸音シート特大 1520mmx1000mmx13mm 1枚入り。定番高性能吸音材![デッドニング・防音工房] 3Mシンサレート吸音シート特大 1520mmx1000mmx13mm 1枚入り。定番高性能吸音材![デッドニング・防音工房]](https://m.media-amazon.com/images/I/3108yUfZYqL._SL500_.jpg)
