ヤマハのパッシブスピーカー「NS-M103」というものを見つけた。気になるところに手を入れて、音をチューンしてみた。その所感。

某所のジャンク品
先日、久々に某中古ショップに訪れたさい、ジャンクコーナーにて知らないスピーカーを見つけた。「NS-M103」という、ヤマハ製のパッシブスピーカー。

おお、もしかして国外展開向けの製品かなにかか? と思いすぐさまインターネットにお尋ねしてみると、そういうわけではなく、どうやら「NS-P300」という5.1chホームシアターシステムのフロントスピーカー部らしい。たまたまこれだけがペアで中古品として流れてきたのか。
動作品で価格も手ごろ。確保してみる。

このスピーカー、台座となるパーツとスピーカー本体がネジ一本で緊結されており、そのネジを緩めることで上下方向に首振りができる。


このパーツは本体に対してやや小さめで安定感に乏しいものの、仰がせて上方向に固定できるのはデスクトップシステムに向いていると感じる。そもそもNS-P300の製品のコンセプトが、手軽にサラウンド環境を構築することのようなので、ユーザーの設置環境に適応させやすいような仕様になっているのかもしれない。

整備前の音
いつもは外観を眺めてから音を出す流れだけど、今回は後述する理由で先に音を聞いてみる。
アンプはヤマハの「RX-S602」。いつものAVレシーバー。
インシュレーターは無し。花こう岩プレートの上に直置きとする。
見た目がチープかつシアター向けなので音には期待していなかったのだけど、裏切られた。思いのほかちゃんと聴ける。
キレのある音。バランスとしては高音に寄っている。
密閉型であり、低音域の量感は少ない。ただし鳴っていないわけではなく、ある程度の存在感を伴っている。正直、低音はスッカスカだろうと思っていたので、足回りがしっかりしているのは意外だ。
中音の明瞭さは、JBLの「Control 1」を彷彿させる。時折混濁することがあるものの、基本的には整理されていて自然に聞こえる。メリハリもあって良いのだけど、それが裏目に出るのか、プログラムによっては高めの中音がギラギラすることがあるのは、ちょっと気になる。
高音は、煌めきと伸びやかさがあるけど、シャラシャラしてやや主張が強すぎる気もする。ヤマハ特有の性格とみるか調整不足なのかはわからない。また、ニアフィールドで聴くぶんにはそれほど気にならないけど、2メートル以上離れているとひずみ感が目立ってくる。電解コンデンサーっぽい音なので、たぶんコンデンサーの交換でなんとかなるだろう。
音場は広め。そのなかで中心に寄っていてほしいものはしっかり中心に居るし、空気感の表現も上手い。まるでステレオ2ch用に調整されたかのような定位の良さがある。やや手前で展開されるものの、パース感もそれなりにある。
なかなかどうして良い音。安っぽいガワにイメージを引っ張られてはいけない。これは掘り出し物だったか。
周波数特性を見てみる。


聴感と一致する。全体のバランスから見ても、やはり高音域はもう少し下げておきたい感がある。でも、このままでもおかしくはないので、好みの問題だろうとは思う。
600Hz付近にある位相のひっくり返るところは、スイープ音を流しても判る程度に音がフワっとする感じがあるのでなんとかしたいところだけど、骨が折れそうなので今回は見送る。
外観
エンクロージャー
このスピーカー、外部に損傷は無く音もちゃんと出るのになぜジャンク品扱いだったのか。その理由はおそらく「ヤニ汚れ」である。
写真では判断しにくいけど、全体的にかなり汚れていて、あまり触れたくない感じだ。じつは、この記事の序盤で掲載した写真にあるうちの前面ネットは、あまりに汚すぎて先行して洗浄したあとのものだったりする。


キャビネット部は黒に見えるけど、これもこびりついたヤニで"黒光り"しているだけで、本来の色味ではない。ネットのおかげで比較的綺麗な前面バッフルの暗めのグレイが、オリジナルに近いカラーだ。

しかし、このスピーカーはエンクロージャーが樹脂製のようなので、ドライバーユニットを取り外してやれば丸ごと水洗いできる。もしそれで綺麗になるのなら上々。それを見込んで購入したのだった。


その筐体部は、おそらくABS製で、叩くと甲高い音が鳴る。サイン波では150Hzから1kHzくらいまでの音でどの面も盛大にビビるので、さすがにこれはなんとかしてやりたいところ。
筐体はチープでも、背面には樹脂製キャップの4mmバナナプラグに対応するバインディングポストが付いている。

背面に窄まるように湾曲した形状の筐体に対して、コネクターユニットを別パーツで設置しづらかったこともあるだろうけど、金属シャフトのポストにしているのは単純に扱いやすくてありがたい。まあ、NS-P300のそのほかのスピーカーはスプリングキャッチ式のスナップインタイプになっているところをみるに、こちらも本当はそうしたかったんだろうな、と察する。

ちなみに、台座部はネジを外して分離できる。

ドライバーユニット
ドライバーは、ウーファーとツイーターのシンプルな2ウェイ。
ウーファーは、12cmコーン型の紙製振動板。エッジはクロス製。

筐体が小振りなのでイメージが湧きづらいけど、ミニコンポ付属のブックシェルフ型スピーカーの径くらいはあったりする。
ツイーターは、「バランスドーム」とか「セミドーム」とか呼びかたがいろいろあるヤツ。

例によって、低めの音はあまり出なさそう。高音特化であれば、やはりここはフィルムコンデンサーにしてしまいたい。
内部
はやく洗ってしまいたいので、さっさと内部を見ていく。
ネジ
前面に見えているネジを外すだけ。ネジは樹脂用のタッピングネジ。ボーズの「101MM」シリーズみたいなインサートナットとミリネジを期待したけど、さすがにそうはなっていない。

配線状況

ウーファー
ドライバーは、仕様としては防磁型の標準的なもの。



されど金属フレームだし、フェライトマグネットの径も小さくはない。全体としてけっこう質量がある。薄い樹脂製の前面バッフルでこれを支えるのは、少々心許ない。
振動板はエンボスの散りばめられた紙製。

これもなんの変哲もないけど、コーン型は樹脂シートや金属製にするよりも、結局はこういったシンプルな紙製が間違いないんじゃないかと、最近は思うようになっている。
ツイーター
対するツイーターは、どこかで見たような見た目。



これ、磁気回路周りの雰囲気がなんとなく「NS-10MM」のツイーターと似ている。しかし型番が全然違うので、あくまで別物。
バッフルプレートが樹脂製で、ネジ孔あたりが脆そうなのが怖い。
今回は用事がないので分解はしない。

エンクロージャー
エンクロージャーは、内部に「ABS」とあるので、やはり予想のとおりABSなのだろう。



吸音材や補強などの内容物はいっさい無し。密閉型なので吸音材は多少は入っているだろうと思っていたけど、そんなことはなかった。丸形端子の付いたケーブルがナットで固定されているだけ。

フットベース(スピーカスタンド)
本体から切り離した台座部のパーツ、フットベース(メーカーの取扱説明書では「スピーカスタンド」と称されている)の金属プレートもネジ固定なので、さらに分離できる。
ただ、こちらは分離したところで少しの空間があるだけ。ここになにか重石になるようなものを充填させてみたい気になるけど、良い案が浮かばないので今回は見送り。

整備
なにはなくとも洗浄。あとはエンクロージャーの制振と、気になる高音域を調整してより聴きやすくしておきたい。
洗浄
風呂場でキャビネット部を水洗い。液体石けんと馬毛のブラシで遮二無二擦る。
前面バッフルはキャビネット部から分離できそうだけど、そこまでしなくても以降の作業に支障が無いのでやらない。

バインディングポストはハヤトール漬けにして、再利用を待つ。

フットベースは水洗いせず、ハヤトールと中性洗剤に浸したタオルで拭き掃除。

制振
フットベース
フットベースの底部の金属プレートには、0.8mm厚のPORON製のパッドを貼っておく。

このベースは構造上、そのままだと金属プレートが底面に接触せず、その周囲にある樹脂製の縁の部分がスピーカーの重量を支えることになる。それが気持ち悪いので、プレート側に荷重がかかるように"脚"を設けるわけだ。

ベースとスピーカー本体が接触する面に、薄手のフェルトシートを貼っておく。100均ショップで手に入れた粘着シート付のフェルトをそれっぽい形状に切り出して、ベースに貼るだけ。

ベースの全面に貼るとスピーカー本体の角度によってはフェルトがはみ出た状態になって見た目がみっともないので、3分の2程度の面積に抑えている。よって、振動対策としてはやや中途半端であることは否めない。

スピーカー本体
エンクロージャーは、内側にゴムシートを貼りつけてビビりを緩和させる作戦。
厚さ3mmの天然ゴムシートを、適当な大きさに切り出す。

両側面は上底90mm、下底170mm、高さ110mmの台形のものを、残りの面は余ったものを貼る。

固定は接着剤だけど、硬化時間が惜しいので、両面テープと併用する。接着剤はG17。





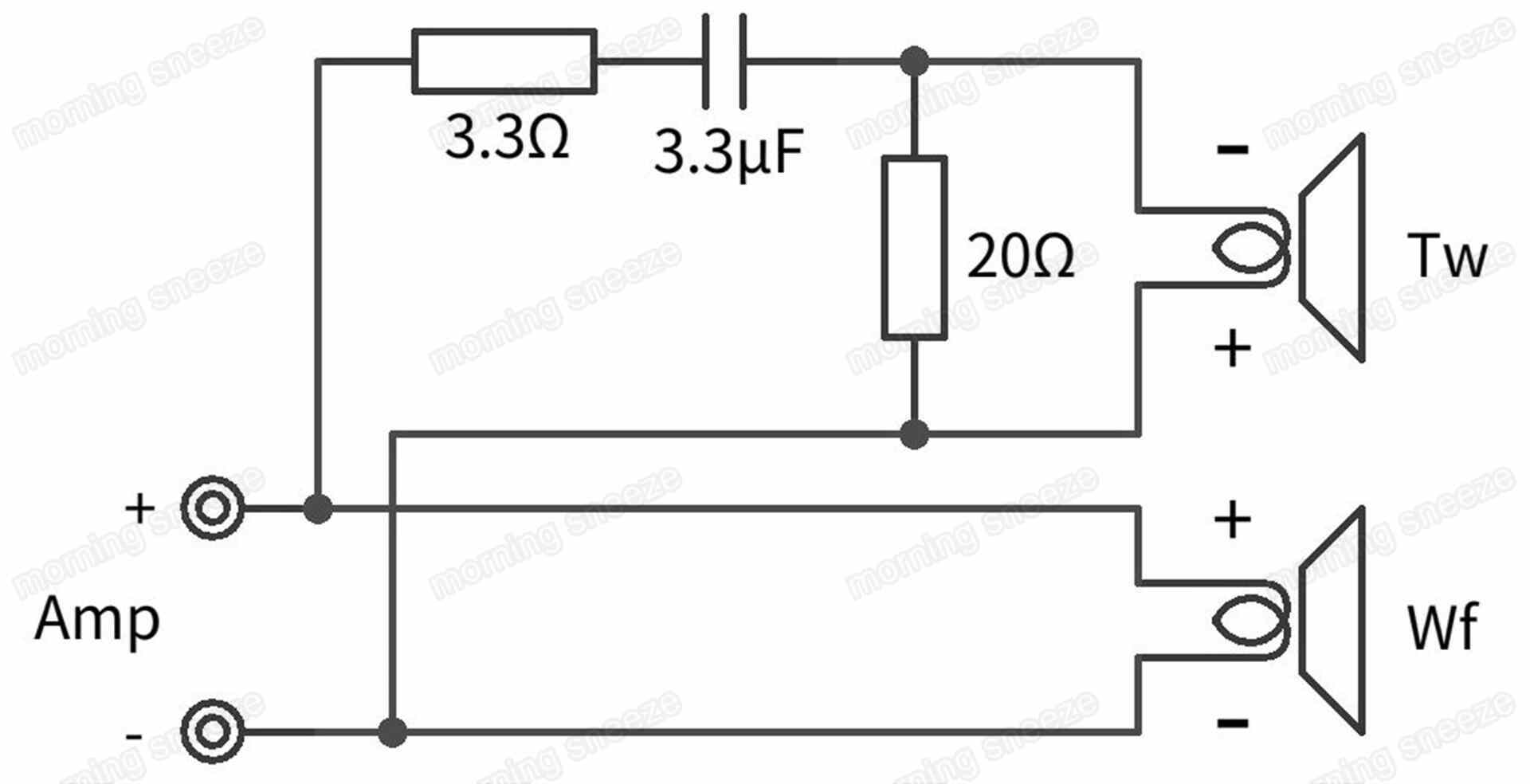
フィルターの再構築
ツイーター用のHPFを新たに作り直す。
今回はウーファー側は弄らない方針。また、コイルも新調しない。

高音の雰囲気は残しつつ主張を若干抑えたいからとりあえずツイーターを、と思っていたのだけど、特性を見ると耳につく音はおそらくフィルターレスのウーファー由来のような印象を受ける。だったら0.45mHくらいのコイルと4.7μFのコンデンサーで12dB/octのLPFを組んでウーファーに、としたいところだけど、今回はひとまずツイーター側の調整でどうなるか確認しておこうと思う。
意外と3kHzくらいまでは鳴っていることがわかったので、そのあたりの帯域は既存を維持しつつ、高音だけを抑えるようなフィルターを設けることにする。
十数パターンの組み合わせのなかから、ふたつまで絞りこむ。5.6μF+5.1Ωと、3.3μF+3.3Ω。

高音域の抑えかたは、どちらも同じ。ただ、5.6μFのほうはオリジナルよりも低い帯域の音を出している。ウーファーで十分鳴らせていることと、無理に低い音を出して故障しても困るので、3.3μFのほうを採用することとする。
最終的に、並列で20Ωの抵抗器を加えてFIXとする。位相接続の変更は無し。


ここも本来なら18dB/octにしてみたいところだけど、金欠のため不採用。

このフィルターは、バインディングポストの直上に接着する。
洗浄を終えたバインディングポストの固定のさい、M4のワッシャーをオーバーサイズに交換する。

ある程度の厚みがあるとはいえ、ABSにポスト直付けはポストにケーブルの荷重がかかることでABS側が破損しそうで怖いので、それを少しでも軽減できるように、念のため。
吸音材の新設
吸音材は、とりあえず天面に「固綿シート」、底面に柔らかめのニードルフェルトを配置してみる。

密閉型なので吸音材はたっぷり詰めこんでもいい気もするけど、まずはこれで様子見。あとからさらに詰めるとすれば、グラスウールにしたいところ。

ワッシャーの新設
各ドライバーユニットの固定に、黒染めの金属製ワッシャーを挟んでおく。ここも先のバインディングポストと似たような理由で、樹脂の破損が怖いため、気休め程度に。

整備後の音
さて、音を出してみる。
エンクロージャーの制振は、多少マシになった程度。内張りの効果はちゃんと出ているけれど、大音量ではまだビビりがある。
まあ、これは現状仕方がないかな。音の煩雑さは減っているので、良しとする。

高音の質感は、明らかに向上している。余計なジャリジャリした感じが消えて、より素直な音になっている。フィルムコンデンサー搭載は正解だった。
しかし、依然としてヒリつく感じは残っている。やはりここはウーファー側を調整しないと改善が難しいように思う。とはいえ、現状良い音が鳴っているこのスピーカーにそこまで手を入れる価値はあるのか、エスプリが壊れやしないか、という検討はしなければならないだろう。
周波数特性では、整備前よりも低めの中音から下が微妙に持ち上がっているように見えるけど、おそらく誤差だろう。
高音は、概ね意図どおりといえる。このくらい抑えられていても高音の存在感は十分にある。
あとは、6kHzから9kHzの平滑化をするかどうか。おそらくここ一帯を抑えると聴きやすくなるんだろうけど特徴も減退してしまうだろうし、そのままでいい気がする。
まとめ
この記事を製作中も鳴らし続けている。決して十全ではなく、文句無しとはならないものの、普通に聴けている。

たぶん、もっとしっかりしたエンクロージャーを用意すれば、割合本格的なものに仕上がるような気がする。でも、このオモチャみたいな筐体から出てくる音の良さというのもあるように思う。一般的な木製の函に収めたら、相応にはなれど通り一遍な音にもなりそう。

コストパフォーマンスの良好な、個人的名機だと思う。少なくとも、同じ小型密閉型2ウェイシステムのNS-10MMを鳴らすくらいなら、こちらを選ぶほうが満足感が圧倒的だろう。

終。

![[M.モゥブレィ] ホコリ落とし用馬毛ブラシ ワークブラシプラス メンズ ホース Free Size [M.モゥブレィ] ホコリ落とし用馬毛ブラシ ワークブラシプラス メンズ ホース Free Size](https://m.media-amazon.com/images/I/41fHoaBbIQL._SL500_.jpg)

![Poron ミニパッド 0.8×21ハード [20個 (4個×5セット)] Poron ミニパッド 0.8×21ハード [20個 (4個×5セット)]](https://m.media-amazon.com/images/I/2176JNdwaoL._SL500_.jpg)






